Servomoteur brushless Pegasus : PEGA-B01A

servomoteur, codeur, moteur et variateur pegasus

Servomoteur brushless Pegasus : PEGA-B01A

Principales fonctions :
  • Puissance : 100 W
  • Couple : 0,32 Nm
  • Vitesse nominale : 3000 tr/min
  • Alimentation : 48 Vdc
  • Codeur magnétique
  • Electronique intégrée
Technologie Brushless
Tension d'entrée 48-60 Vdc
Courant de sortie continu 3,62 A
Courant de sortie max 7,24 A
Communication USB2.0, EtherCAT (FoE, EoE, CoE (IEC 61158 type12, IEC 61800-7 CIA 402 drive profile))
Nombres d'entrées numériques 4 (12-30 VDC)
12 fonctions préconfigurées (POT, NOT, HOME, STOP, PCON, GAIN2, PCL, NCL, PROBE1, PROBE2, EMG, ARST)
Nombres de sorties numériques 2 (24 VDC ± 10%, 120 mA)
11 fonctions préconfigurées (BRAKE, ALARM, RDY, ZSPD, INPOS1, TLMT, VLMT, INSPD, WARN, TGON et INPOS2)
Fonctions de sécurité 2 entrées STO (STO1, STO2)
Température En fonctionnement : 0 à +40°C - En stockage : -2 - +60°C
Humidité 90% RH ou moins (pas de condensation)
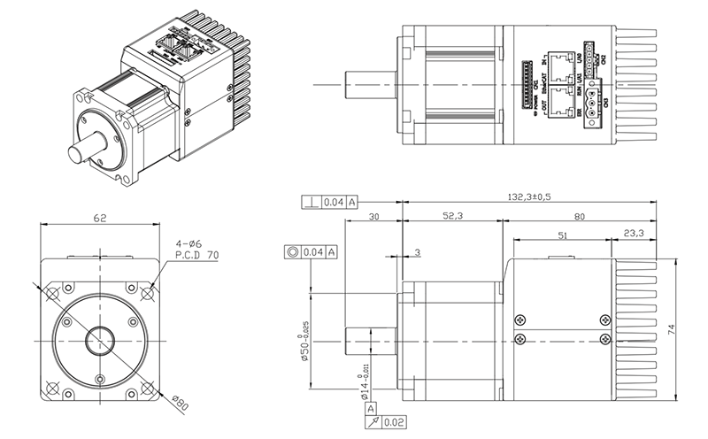
Bride 60mm
Puissance nominale 100 W
Couple 0,32 Nm
Vitesse 3000 tr/min
Inertie 0,116 kgm2 x 10-4
Bobinage 48 Vdc
Type de codeur Codeur magnétique (12bit)
2d pegasus PEGA-B01A