Moteur brushless pancake RMD-L-4010

Moteur brushless plat rmd-l-4010-EU - A2V mécatronique

Moteur brushless type pancake RMD-L-4010-EU


Couple :
0,15 Nm
Courant :
1,43 A
Communication :
CAN ou RS485

Moteur avec variateur intégré + codeur

Type de moteur Tension nominale
(V)
Courant nominal
(A)
Couple nominal
(Nm)
Courant max
(A)
Couple max
(Nm)
Résistance
(Ω)
Inductance
(mH)
Vitesse nominale
(tr/min)
Vitesse max
(tr/min)
Inertie du rotor
(g.cm2)
Constante de couple
(Nm/A)
Constante de vitesse
(rpm/V)
Puissance nominale
(W)
Poids
(g)
2D/3D Logiciel Prix
RMD-L-4010-22T-EU 12-24 1,43 0,15 3,2 0,33 3 1 560 1120 81 0,10 93 100 92
Caractéristiques
Connexion filaire Y
Nombre de paires de pôles 13
Température (°C) -20°C~80°C
Température de démagnétisation maximale (°C) 120°C
Précision de contrôle (°) 0,001°
Variateur MC100
Tension d'entrée (V) 12~24
Courrant (A) Normal:5A Instant:8A
Communication RS485, CAN Bus
Codeur 14-bit magnetic encoder
Fréquence de contrôle Torque open loop/speed loop/position loop
S-Curve Oui
ID switch Oui
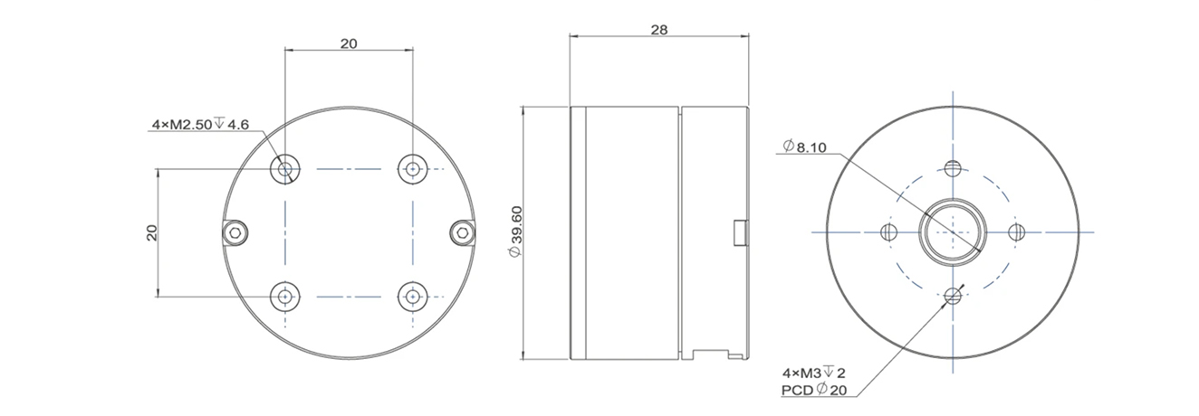
2D RMD-L-4010-EU moteur brushless pancake
couple
codification