Moteur à courant continu à balais - 42mm

Moteur dc - bride 42mm - A2V mécatronique

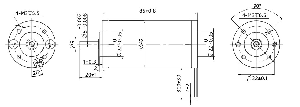
Moteurs DC - 42mm


Bride :
42 mm
Couple :
57 mNm
Courant :
1,45 A
Tension :
24 V
Le moteur à courant continu 42ZYTC85-1 a une tension nominale de 24V et peut atteindre une vitesse maximale de 3 150 tr/min. Il génère un couple nominal de 57 mNm et peut être personnalisé avec un réducteur. Il est également conçu pour diverses applications en tant qu’actionneur linéaire.

Référence 42ZYTC85-1
Tension nominale V 24
Couple nominal mNm 57
Vitesse nominale tr/min 3150
Courant à vide A 0,3
Puissance nominale W 19
Couple de crête mNm 256
Courant de crête A 5,5
Constante de couple mNm/A 64,5
Constante Back-EMF/Valeur effective V/Krpm 6,7
Résistance Ω 4,65
Inductance mH 3
Moment d'inertie g·cm² 110
Couple de démarrage mN m 20
Bruit (bruit ambiant 20db, distance de test 1m) dB <82
Durée de vie H >2500
Résistance d'isolement - 100 MΩ/250V
Cycle de service - S1
Poids kg 0,43

Réducteur planétaire :

réducteur
Stage - Stage 1 Stage 2 Stage 3 Stage 4
Raport de réduction X:1 3.9, 5.3 16, 21, 26, 28, 35 62, 83, 103, 111, 138, 150, 172, 186, 231 243, 326, 406, 439, 546, 590 ,679, 734, 794, 913, 987, 1135, 1227, 1526
Couple continu maximum Nm 3,0 7,5 15 15
Puissance de sortie continue maximale W 580 240 100 20
Vitesse continu maximale tr/min 6000 6000 6000 6000
Charge axiale maximale (dynamique) N 200 200 200 200
Charge radiale maximale (5 mm de la bride) N 350 525 750 750
Efficacité maximale % 90 81 72 64
Jeu maximum ° 0,3 0,4 0,5 0,6
Longueur du réducteur mm 36,1 54,9 63,6 72,4
Poids g 252 405 476 544
2D Moteur à courant continu à balais - brush DC motor
couple
codification pour moteur brushless bldc