Moteur brushless pancake RMD X8-20-EU

V3 Moteur brushless plat RMD X8-20 -  A2V mécatronique

Moteur brushless type pancake RMD X8-20-EU

Ancien nom : RMD-X8 1:6 V3-EU

Couple :
10 Nm
Vitesse nominale :
190 tr/min
Communication :
CAN ou RS485

Moteur avec variateur intégré + codeur + réducteur

Type de moteur Tension d'entrée
(V)
Puissance nominale
(W)
Couple nominal
(Nm)
Vitesse nominale
(tr/min)
Courant nominal
(A)
Couple crête
(Nm)
Courant crête
(A)
Communication 2D/3D Logiciel Prix
X8-20-EU 48 200 10 190 5,2 20 10,5 CAN - RS485
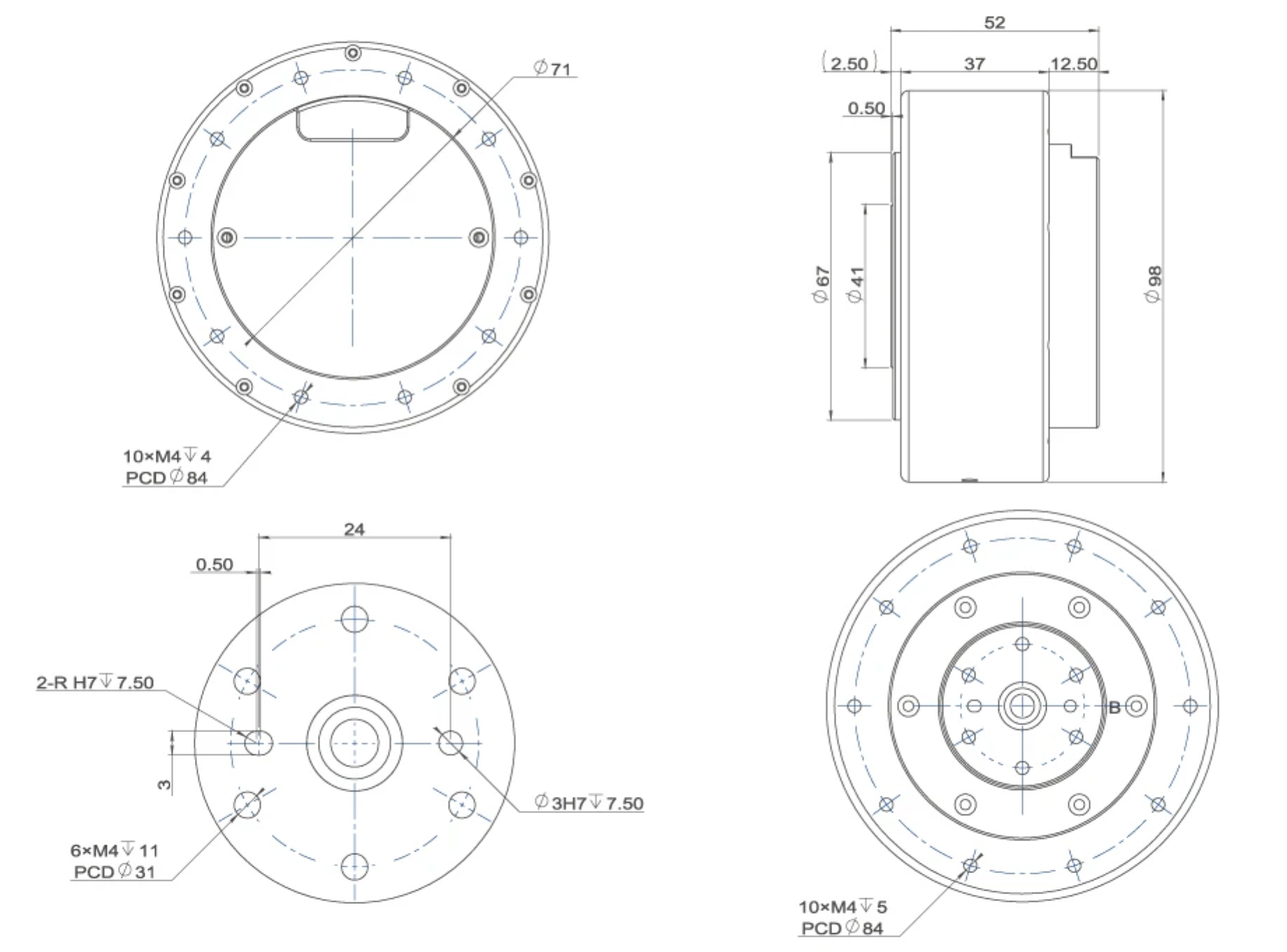
Caractéristiques
Type de réducteur Réducteur planétaire
Rapport de réduction 6:1
Rendement moteur (%) 80
Codeur d'entrée 16 bit
Codeur de sortie 14 bit
Charge utile dans le sens axial (N) 985
Charge utile en direction radiale (N) 1250
Inertie (kg.cm2 20
Nombre de paires de pôles 20
Couple d'entrainement arrière (Nm) 0,4
Jeu 10 minutes d'arc
Poids (g) N (sans frein) : 780
2D RMD-x8-20-EU moteur brushless pancake
codification