Réducteurs planétaires SLF160

réducteur planétaire SLF160

Réducteurs planétaires SLF160


Couple :
270 - 900 Nm
Vitesses :
2000 tr/min
Ratio :
3 - 512

SLF160

Etage Ratio Couple nominal
(Nm)
Couple max
(Nm)
Vitesse nominale
(tr/min)
Vitesse max
(tr/min)
Force max radial
(N)
Force max axial
(N)
Jeu
(Arcmin)
Efficacité
(%)
Poids
(kg)
1 3 310 620 2000 3500 3200 3000 3 95 19
4 605 1250 2000 3500 3200 3000 3 95 19
5 420 840 2000 3500 3200 3000 3 95 19
8 270 540 2000 3500 3200 3000 3 95 19
2 12 680 1360 2000 3500 3200 3000 5 95 25
16 680 1360 2000 3500 3200 3000 5 95 25
20 680 1360 2000 3500 3200 3000 5 95 25
25 460 920 2000 3500 3200 3000 5 95 25
32 680 1360 2000 3500 3200 3000 5 95 25
40 460 920 2000 3500 3200 3000 5 95 25
64 310 620 2000 3500 3200 3000 5 95 25
3 64 900 1800 2000 3500 3200 3000 5 95 31
80 900 1800 2000 3500 3200 3000 5 95 31
100 900 1800 2000 3500 3200 3000 5 95 31
125 580 1160 2000 3500 3200 3000 5 95 31
160 580 1160 2000 3500 3200 3000 5 95 31
200 580 1160 2000 3500 3200 3000 5 95 31
256 900 1800 2000 3500 3200 3000 5 95 31
320 580 1160 2000 3500 3200 3000 5 95 31
512 400 800 2000 3500 3200 3000 5 95 31
2D
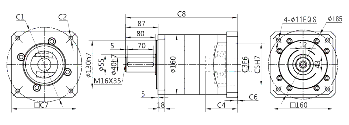
Taille C1 C2 C3 C4 C5 C6 C7 C8
1 ⌀130 4-M8 ⌀22 62 ⌀95 7 142 275
⌀145 4-M8 ⌀22/⌀24 62 ⌀110 7 142 275
⌀165 4-M10 ⌀32 62 ⌀130 7 142 275
⌀200 4-M12 ⌀35 117 ⌀114,3 7 175 299
⌀200 4-M12 ⌀35 117 ⌀114,3 7 175 330
⌀215 4-M12 ⌀38/⌀42 86 ⌀180 7 190 299
2 ⌀130 4-M8 ⌀22 62 ⌀95 7 142 313
⌀145 4-M8 ⌀22/⌀24 62 ⌀110 7 142 313
⌀165 4-M10 ⌀32 62 ⌀130 7 142 313
⌀200 4-M12 ⌀35 117 ⌀114,3 7 175 337
⌀200 4-M12 ⌀35 117 ⌀114,3 7 175 368
⌀215 4-M12 ⌀38/⌀42 86 ⌀180 7 190 337
3 ⌀130 4-M8 ⌀22 62 ⌀95 7 142 351
⌀145 4-M8 ⌀22/⌀24 62 ⌀110 7 142 351
⌀165 4-M10 ⌀32 62 ⌀130 7 142 351
⌀200 4-M12 ⌀35 117 ⌀114,3 7 175 375
⌀200 4-M12 ⌀35 117 ⌀114,3 7 175 406
⌀215 4-M12 ⌀38/⌀42 86 ⌀180 7 190 375
codification