Réducteurs planétaires SLF120

réducteur planétaire SLF120

Réducteurs planétaires SLF120


Couple :
93 - 329 Nm
Vitesses :
2000 tr/min
Ratio :
3 - 350

SLF120

Etage Ratio Couple nominal
(Nm)
Couple max
(Nm)
Vitesse nominale
(tr/min)
Vitesse max
(tr/min)
Force max radial
(N)
Force max axial
(N)
Jeu
(Arcmin)
Efficacité
(%)
Poids
(kg)
1 3 148 296 2000 3500 2230 1550 3 95 6,9
4 222 444 2000 3500 2230 1550 3 95 6,9
5 235 470 2000 3500 2230 1550 3 95 6,9
7 158 316 2000 3500 2230 1550 3 95 6,9
10 93 186 2000 3500 2230 1550 3 95 6,9
2 12 250 500 2000 3500 2230 1550 5 95 8,9
15 250 500 2000 3500 2230 1550 5 95 8,9
16 250 500 2000 3500 2230 1550 5 95 8,9
20 250 500 2000 3500 2230 1550 5 95 8,9
25 264 528 2000 3500 2230 1550 5 95 8,9
28 250 500 2000 3500 2230 1550 5 95 8,9
35 264 528 2000 3500 2230 1550 5 95 8,9
40 250 500 2000 3500 2230 1550 5 95 8,9
50 264 528 2000 3500 2230 1550 5 95 8,9
70 177 354 2000 3500 2230 1550 5 95 8,9
3 64 310 974 2000 3500 2230 1550 5 95 11,2
80 310 974 2000 3500 2230 1550 5 95 11,2
100 310 974 2000 3500 2230 1550 5 95 11,2
125 329 658 2000 3500 2230 1550 5 95 11,2
140 310 974 2000 3500 2230 1550 5 95 11,2
175 329 658 2000 3500 2230 1550 5 95 11,2
200 310 974 2000 3500 2230 1550 5 95 11,2
250 329 658 2000 3500 2230 1550 5 95 11,2
280 310 974 2000 3500 2230 1550 5 95 11,2
350 329 658 2000 3500 2230 1550 5 95 11,2
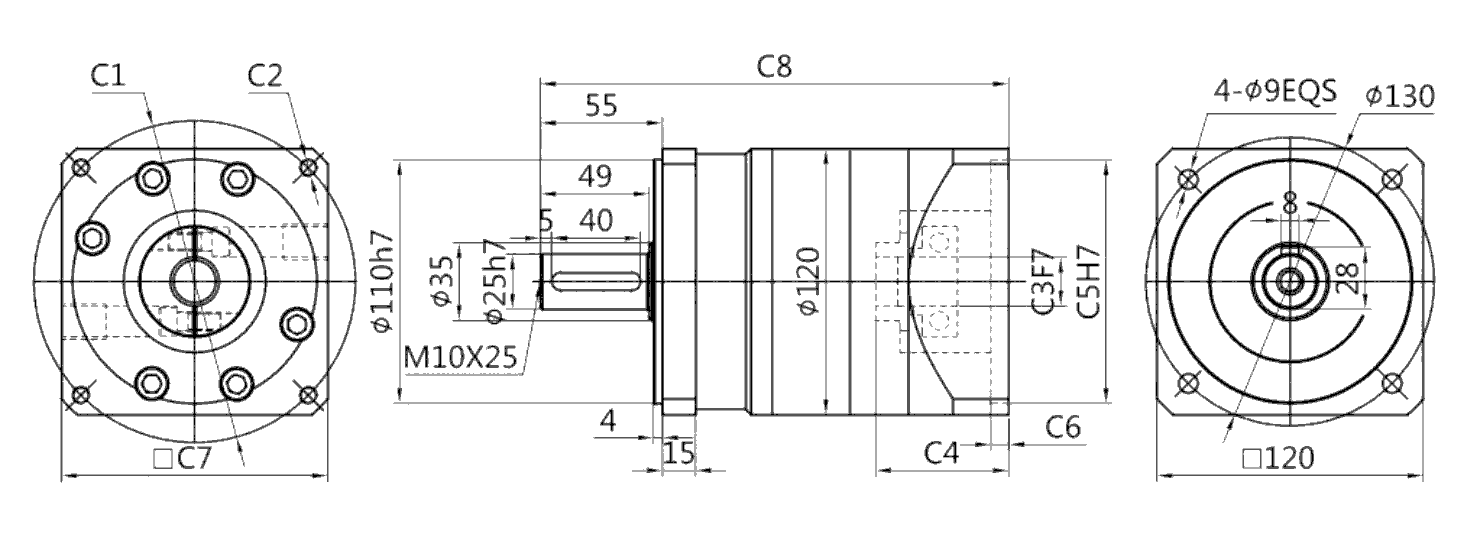
2D
Taille C1 C2 C3 C4 C5 C6 C7 C8
1 ⌀90 4-M5/4-M6 ⌀19 47 ⌀70 8 90 200
⌀115 4-M8 ⌀19/⌀22 60 ⌀95 8 130 211
⌀130 4-M8 ⌀19/⌀22 60 ⌀95 8 130 211
⌀145 4-M8 ⌀19/⌀22/⌀24 60 ⌀110 8 180 211
2 ⌀90 4-M5/4-M6 ⌀19 47 ⌀70 8 90 230
⌀115 4-M8 ⌀19/⌀22 60 ⌀95 8 130 241
⌀130 4-M8 ⌀19/⌀22 60 ⌀95 8 130 241
⌀145 4-M8 ⌀19/⌀22/⌀24 60 ⌀110 8 180 241
3 ⌀90 4-M5/4-M6 ⌀19 47 ⌀70 8 90 260
⌀115 4-M8 ⌀19/⌀22 60 ⌀95 8 130 271
⌀130 4-M8 ⌀19/⌀22 60 ⌀95 8 130 271
⌀145 4-M8 ⌀19/⌀22/⌀24 60 ⌀110 8 180 271
codification