| Etage | Ratio | Couple nominal (Nm) |
Couple max (Nm) |
Vitesse nominale (tr/min) |
Vitesse max (tr/min) |
Force max radial (N) |
Force max axial (N) |
Jeu (Arcmin) |
Efficacité (%) |
Poids (kg) |
| 1 | 3 | 60 | 120 | 3000 | 6000 | 1020 | 850 | 3 | 97 | 4,7 |
| 4 | 86 | 172 | 3000 | 6000 | 1020 | 850 | 3 | 97 | 4,7 | |
| 5 | 94 | 189 | 3000 | 6000 | 1020 | 850 | 3 | 97 | 4,7 | |
| 7 | 64 | 128 | 3000 | 6000 | 1020 | 850 | 3 | 97 | 4,7 | |
| 10 | 39 | 79 | 3000 | 6000 | 1020 | 850 | 3 | 97 | 4,7 | |
| 2 | 12 | 96 | 192 | 3000 | 6000 | 1020 | 850 | 5 | 97 | 5,3 |
| 15 | 96 | 192 | 3000 | 6000 | 1020 | 850 | 5 | 97 | 5,3 | |
| 16 | 96 | 192 | 3000 | 6000 | 1020 | 850 | 5 | 97 | 4,2 | |
| 20 | 96 | 192 | 3000 | 6000 | 1020 | 850 | 5 | 97 | 5,3 | |
| 25 | 105 | 211 | 3000 | 6000 | 1020 | 850 | 5 | 97 | 5,3 | |
| 28 | 96 | 192 | 3000 | 6000 | 1020 | 850 | 5 | 97 | 5,3 | |
| 35 | 105 | 211 | 3000 | 6000 | 1020 | 850 | 5 | 97 | 5,3 | |
| 40 | 96 | 192 | 3000 | 6000 | 1020 | 850 | 5 | 97 | 5,3 | |
| 50 | 105 | 211 | 3000 | 6000 | 1020 | 850 | 5 | 97 | 5,3 | |
| 70 | 71 | 142 | 3000 | 6000 | 1020 | 850 | 5 | 97 | 5,3 | |
| 3 | 64 | 120 | 240 | 3000 | 6000 | 1020 | 850 | 5 | 97 | 5,9 |
| 80 | 120 | 240 | 3000 | 6000 | 1020 | 850 | 5 | 97 | 5,9 | |
| 100 | 120 | 240 | 3000 | 6000 | 1020 | 850 | 5 | 97 | 5,9 | |
| 125 | 132 | 265 | 3000 | 6000 | 1020 | 850 | 5 | 97 | 5,9 | |
| 140 | 120 | 240 | 3000 | 6000 | 1020 | 850 | 5 | 97 | 5,9 | |
| 175 | 132 | 265 | 3000 | 6000 | 1020 | 850 | 5 | 97 | 5,9 | |
| 200 | 120 | 240 | 3000 | 6000 | 1020 | 850 | 5 | 97 | 5,9 | |
| 250 | 132 | 265 | 3000 | 6000 | 1020 | 850 | 5 | 97 | 5,9 | |
| 280 | 120 | 240 | 3000 | 6000 | 1020 | 850 | 5 | 97 | 5,9 | |
| 350 | 132 | 265 | 3000 | 6000 | 1020 | 850 | 5 | 97 | 5,9 |
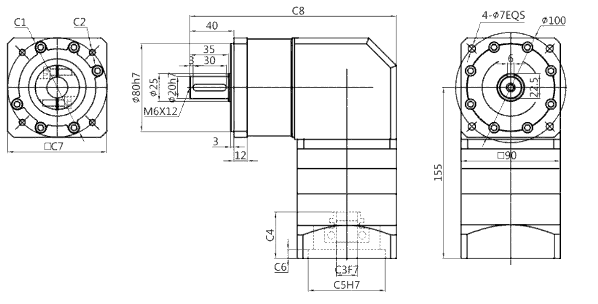
| Taille | C1 | C2 | C3 | C4 | C5 | C6 | C7 | C8 |
| 1 | ⌀70 | 4-M4/4-M5 | ⌀14 | 42 | ⌀50 | 8 | 80 | 187,5 |
| ⌀69,6 | 4-M6 | ⌀14 | 42 | ⌀73 | 8 | 80 | 187,5 | |
| ⌀90 | 4-M5/4-M6 | ⌀19 | 72 | ⌀70 | 8 | 80 | 187,5 | |
| 2 | ⌀70 | 4-M4/4-M5 | ⌀14 | 42 | ⌀50 | 8 | 80 | 222 |
| ⌀69,6 | 4-M6 | ⌀14 | 42 | ⌀73 | 8 | 80 | 222 | |
| ⌀90 | 4-M5/4-M6 | ⌀19 | 72 | ⌀70 | 8 | 80 | 222 | |
| 3 | ⌀70 | 4-M4/4-M5 | ⌀14 | 42 | ⌀50 | 8 | 90 | 245,5 |
| ⌀69,6 | 4-M6 | ⌀14 | 42 | ⌀73 | 8 | 90 | 245,5 | |
| ⌀90 | 4-M5/4-M6 | ⌀19 | 72 | ⌀70 | 8 | 90 | 245,5 |