Etage | Ratio | Couple nominal (Nm) |
Couple max (Nm) |
Vitesse nominale (tr/min) |
Vitesse max (tr/min) |
Force max radial (N) |
Force max axial (N) |
Jeu (Arcmin) |
Efficacité (%) |
Poids (kg) |
1 | 3 | 16 | 33 | 3000 | 6000 | 170 | 120 | 3 | 97 | 1,4 |
4 | 27 | 54 | 3000 | 6000 | 170 | 120 | 3 | 97 | 1,4 | |
5 | 27 | 54 | 3000 | 6000 | 170 | 120 | 3 | 97 | 1,4 | |
7 | 19 | 39 | 3000 | 6000 | 170 | 120 | 3 | 97 | 1,4 | |
10 | 8 | 17 | 3000 | 6000 | 170 | 120 | 3 | 97 | 1,4 | |
2 | 16 | 30 | 60 | 3000 | 6000 | 170 | 120 | 5 | 97 | 1,6 |
20 | 30 | 60 | 3000 | 6000 | 170 | 120 | 5 | 97 | 1,6 | |
25 | 33 | 66 | 3000 | 6000 | 170 | 120 | 5 | 97 | 1,6 | |
28 | 30 | 60 | 3000 | 6000 | 170 | 120 | 53 | 97 | 1,6 | |
35 | 33 | 66 | 3000 | 6000 | 170 | 120 | 5 | 97 | 1,6 | |
40 | 30 | 60 | 3000 | 6000 | 170 | 120 | 5 | 97 | 1,6 | |
50 | 33 | 66 | 3000 | 6000 | 170 | 120 | 5 | 97 | 1,6 | |
70 | 21 | 43 | 3000 | 6000 | 170 | 120 | 5 | 97 | 1,6 | |
3 | 64 | 37 | 75 | 3000 | 6000 | 170 | 120 | 5 | 97 | 1,8 |
80 | 37 | 75 | 3000 | 6000 | 170 | 120 | 5 | 97 | 1,8 | |
100 | 37 | 75 | 3000 | 6000 | 170 | 120 | 5 | 97 | 1,8 | |
125 | 41 | 82 | 3000 | 6000 | 170 | 120 | 5 | 97 | 1,8 | |
140 | 37 | 75 | 3000 | 6000 | 170 | 120 | 5 | 97 | 1,8 | |
175 | 41 | 82 | 3000 | 6000 | 170 | 120 | 5 | 97 | 1,8 | |
200 | 37 | 75 | 3000 | 6000 | 170 | 120 | 5 | 97 | 1,8 | |
250 | 41 | 82 | 3000 | 6000 | 170 | 120 | 5 | 97 | 1,8 | |
280 | 37 | 75 | 3000 | 6000 | 170 | 120 | 5 | 97 | 1,8 | |
350 | 41 | 82 | 3000 | 6000 | 170 | 120 | 5 | 97 | 1,8 |
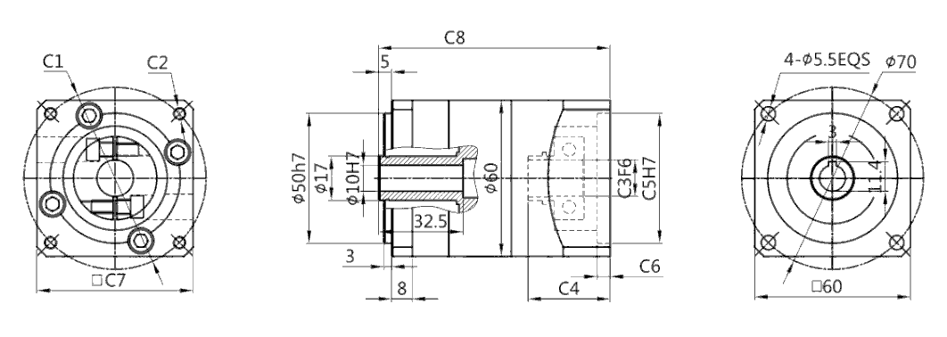
Taille | C1 | C2 | C3 | C4 | C5 | C6 | C7 | C8 |
1 | ⌀47,14 | 4-M4 | ⌀8 | 31,5 | ⌀38,1 | 5 | 60 | 89 |
⌀46 | 4-M4 | ⌀8 | 31,5 | ⌀30 | 5 | 60 | 89 | |
⌀45 | 4-M3 | ⌀8 | 31,5 | ⌀30 | 5 | 60 | 89 | |
⌀70 | 4-M4/4-M5 | ⌀14 | 31,5 | ⌀50 | 5 | 60 | 89 | |
2 | ⌀47,14 | 4-M4 | ⌀8 | 31,5 | ⌀38,1 | 5 | 60 | 105 |
⌀46 | 4-M4 | ⌀8 | 31,5 | ⌀30 | 5 | 60 | 105 | |
⌀45 | 4-M3 | ⌀8 | 31,5 | ⌀30 | 5 | 60 | 105 | |
⌀70 | 4-M4/4-M5 | ⌀14 | 31,5 | ⌀50 | 5 | 60 | 105 | |
3 | ⌀47,14 | 4-M4 | ⌀8 | 31,5 | ⌀38,1 | 5 | 60 | 121 |
⌀46 | 4-M4 | ⌀8 | 31,5 | ⌀30 | 5 | 60 | 121 | |
⌀45 | 4-M3 | ⌀8 | 31,5 | ⌀30 | 5 | 60 | 121 | |
⌀70 | 4-M4/4-M5 | ⌀14 | 31,5 | ⌀50 | 5 | 60 | 121 |