| Etage | Ratio | Couple nominal (Nm) |
Couple max (Nm) |
Vitesse nominale (tr/min) |
Vitesse max (tr/min) |
Force max radial (N) |
Force max axial (N) |
Jeu (Arcmin) |
Efficacité (%) |
Poids (kg) |
| 1 | 3 | 310 | 620 | 2000 | 3500 | 3200 | 3000 | 3 | 95 | 19 |
| 4 | 605 | 1250 | 2000 | 3500 | 3200 | 3000 | 3 | 95 | 19 | |
| 5 | 420 | 840 | 2000 | 3500 | 3200 | 3000 | 3 | 95 | 19 | |
| 8 | 270 | 540 | 2000 | 3500 | 3200 | 3000 | 3 | 95 | 19 | |
| 2 | 12 | 680 | 1360 | 2000 | 3500 | 3200 | 3000 | 5 | 95 | 25 |
| 16 | 680 | 1360 | 2000 | 3500 | 3200 | 3000 | 5 | 95 | 25 | |
| 20 | 680 | 1360 | 2000 | 3500 | 3200 | 3000 | 5 | 95 | 25 | |
| 25 | 460 | 920 | 2000 | 3500 | 3200 | 3000 | 5 | 95 | 25 | |
| 32 | 680 | 1360 | 2000 | 3500 | 3200 | 3000 | 5 | 95 | 25 | |
| 40 | 460 | 920 | 2000 | 3500 | 3200 | 3000 | 5 | 95 | 25 | |
| 64 | 310 | 620 | 2000 | 3500 | 3200 | 3000 | 5 | 95 | 25 | |
| 3 | 64 | 900 | 1800 | 2000 | 3500 | 3200 | 3000 | 5 | 95 | 31 |
| 80 | 900 | 1800 | 2000 | 3500 | 3200 | 3000 | 5 | 95 | 31 | |
| 100 | 900 | 1800 | 2000 | 3500 | 3200 | 3000 | 5 | 95 | 31 | |
| 125 | 580 | 1160 | 2000 | 3500 | 3200 | 3000 | 5 | 95 | 31 | |
| 160 | 580 | 1160 | 2000 | 3500 | 3200 | 3000 | 5 | 95 | 31 | |
| 200 | 580 | 1160 | 2000 | 3500 | 3200 | 3000 | 5 | 95 | 31 | |
| 256 | 900 | 1800 | 2000 | 3500 | 3200 | 3000 | 5 | 95 | 31 | |
| 320 | 580 | 1160 | 2000 | 3500 | 3200 | 3000 | 5 | 95 | 31 | |
| 512 | 400 | 800 | 2000 | 3500 | 3200 | 3000 | 5 | 95 | 31 |
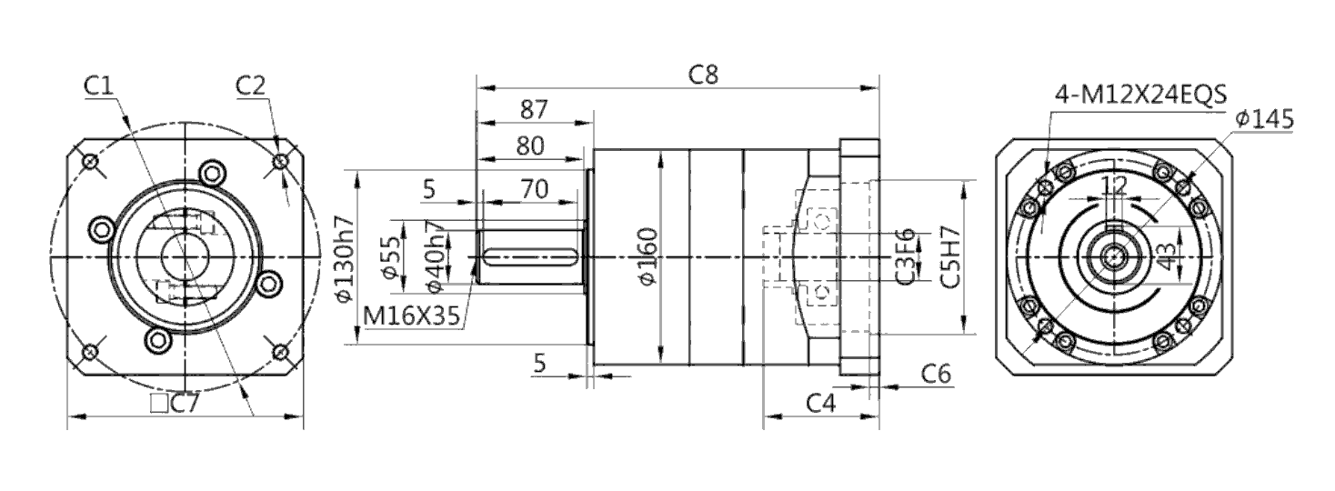
| Taille | C1 | C2 | C3 | C4 | C5 | C6 | C7 | C8 |
| 1 | ⌀130 | 4-M8 | ⌀22 | 62 | ⌀95 | 7 | 142 | 275 |
| ⌀145 | 4-M8 | ⌀22/⌀24 | 62 | ⌀110 | 7 | 142 | 275 | |
| ⌀165 | 4-M10 | ⌀32 | 62 | ⌀130 | 7 | 142 | 275 | |
| ⌀200 | 4-M12 | ⌀35 | 117 | ⌀114,3 | 7 | 175 | 299 | |
| ⌀200 | 4-M12 | ⌀35 | 117 | ⌀114,3 | 7 | 175 | 330 | |
| ⌀215 | 4-M12 | ⌀38/⌀42 | 86 | ⌀180 | 7 | 190 | 299 | |
| 2 | ⌀130 | 4-M8 | ⌀22 | 62 | ⌀95 | 7 | 142 | 313 |
| ⌀145 | 4-M8 | ⌀22/⌀24 | 62 | ⌀110 | 7 | 142 | 313 | |
| ⌀165 | 4-M10 | ⌀32 | 62 | ⌀130 | 7 | 142 | 313 | |
| ⌀200 | 4-M12 | ⌀35 | 117 | ⌀114,3 | 7 | 175 | 337 | |
| ⌀200 | 4-M12 | ⌀35 | 117 | ⌀114,3 | 7 | 175 | 368 | |
| ⌀215 | 4-M12 | ⌀38/⌀42 | 86 | ⌀180 | 7 | 190 | 337 | |
| 3 | ⌀130 | 4-M8 | ⌀22 | 62 | ⌀95 | 7 | 142 | 351 |
| ⌀145 | 4-M8 | ⌀22/⌀24 | 62 | ⌀110 | 7 | 142 | 351 | |
| ⌀165 | 4-M10 | ⌀32 | 62 | ⌀130 | 7 | 142 | 351 | |
| ⌀200 | 4-M12 | ⌀35 | 117 | ⌀114,3 | 7 | 175 | 375 | |
| ⌀200 | 4-M12 | ⌀35 | 117 | ⌀114,3 | 7 | 175 | 406 | |
| ⌀215 | 4-M12 | ⌀38/⌀42 | 86 | ⌀180 | 7 | 190 | 375 |