| Etage | Ratio | Couple nominal (Nm) |
Couple max (Nm) |
Vitesse nominale (tr/min) |
Vitesse max (tr/min) |
Force max radial (N) |
Force max axial (N) |
Jeu (Arcmin) |
Efficacité (%) |
Poids (kg) |
| 1 | 3 | 148 | 296 | 2000 | 3500 | 2230 | 1550 | 3 | 95 | 6,9 |
| 4 | 222 | 444 | 2000 | 3500 | 2230 | 1550 | 3 | 95 | 6,9 | |
| 5 | 235 | 470 | 2000 | 3500 | 2230 | 1550 | 3 | 95 | 6,9 | |
| 7 | 158 | 316 | 2000 | 3500 | 2230 | 1550 | 3 | 95 | 6,9 | |
| 10 | 93 | 186 | 2000 | 3500 | 2230 | 1550 | 3 | 95 | 6,9 | |
| 2 | 12 | 250 | 500 | 2000 | 3500 | 2230 | 1550 | 5 | 95 | 8,9 |
| 15 | 250 | 500 | 2000 | 3500 | 2230 | 1550 | 5 | 95 | 8,9 | |
| 16 | 250 | 500 | 2000 | 3500 | 2230 | 1550 | 5 | 95 | 8,9 | |
| 20 | 250 | 500 | 2000 | 3500 | 2230 | 1550 | 5 | 95 | 8,9 | |
| 25 | 264 | 528 | 2000 | 3500 | 2230 | 1550 | 5 | 95 | 8,9 | |
| 28 | 250 | 500 | 2000 | 3500 | 2230 | 1550 | 5 | 95 | 8,9 | |
| 35 | 264 | 528 | 2000 | 3500 | 2230 | 1550 | 5 | 95 | 8,9 | |
| 40 | 250 | 500 | 2000 | 3500 | 2230 | 1550 | 5 | 95 | 8,9 | |
| 50 | 264 | 528 | 2000 | 3500 | 2230 | 1550 | 5 | 95 | 8,9 | |
| 70 | 177 | 354 | 2000 | 3500 | 2230 | 1550 | 5 | 95 | 8,9 | |
| 3 | 64 | 310 | 974 | 2000 | 3500 | 2230 | 1550 | 5 | 95 | 11,2 |
| 80 | 310 | 974 | 2000 | 3500 | 2230 | 1550 | 5 | 95 | 11,2 | |
| 100 | 310 | 974 | 2000 | 3500 | 2230 | 1550 | 5 | 95 | 11,2 | |
| 125 | 329 | 658 | 2000 | 3500 | 2230 | 1550 | 5 | 95 | 11,2 | |
| 140 | 310 | 974 | 2000 | 3500 | 2230 | 1550 | 5 | 95 | 11,2 | |
| 175 | 329 | 658 | 2000 | 3500 | 2230 | 1550 | 5 | 95 | 11,2 | |
| 200 | 310 | 974 | 2000 | 3500 | 2230 | 1550 | 5 | 95 | 11,2 | |
| 250 | 329 | 658 | 2000 | 3500 | 2230 | 1550 | 5 | 95 | 11,2 | |
| 280 | 310 | 974 | 2000 | 3500 | 2230 | 1550 | 5 | 95 | 11,2 | |
| 350 | 329 | 658 | 2000 | 3500 | 2230 | 1550 | 5 | 95 | 11,2 |
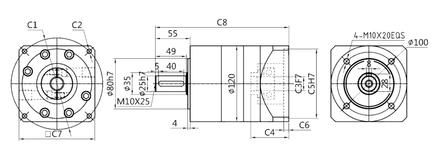
| Taille | C1 | C2 | C3 | C4 | C5 | C6 | C7 | C8 |
| 1 | ⌀90 | 4-M5/4-M6 | ⌀19 | 47 | ⌀70 | 8 | 90 | 200 |
| ⌀115 | 4-M8 | ⌀19/⌀22 | 60 | ⌀95 | 8 | 130 | 211 | |
| ⌀130 | 4-M8 | ⌀19/⌀22 | 60 | ⌀95 | 8 | 130 | 211 | |
| ⌀145 | 4-M8 | ⌀19/⌀22/⌀24 | 60 | ⌀110 | 8 | 180 | 211 | |
| 2 | ⌀90 | 4-M5/4-M6 | ⌀19 | 47 | ⌀70 | 8 | 90 | 230 |
| ⌀115 | 4-M8 | ⌀19/⌀22 | 60 | ⌀95 | 8 | 130 | 241 | |
| ⌀130 | 4-M8 | ⌀19/⌀22 | 60 | ⌀95 | 8 | 130 | 241 | |
| ⌀145 | 4-M8 | ⌀19/⌀22/⌀24 | 60 | ⌀110 | 8 | 180 | 241 | |
| 3 | ⌀90 | 4-M5/4-M6 | ⌀19 | 47 | ⌀70 | 8 | 90 | 260 |
| ⌀115 | 4-M8 | ⌀19/⌀22 | 60 | ⌀95 | 8 | 130 | 271 | |
| ⌀130 | 4-M8 | ⌀19/⌀22 | 60 | ⌀95 | 8 | 130 | 271 | |
| ⌀145 | 4-M8 | ⌀19/⌀22/⌀24 | 60 | ⌀110 | 8 | 180 | 271 |