Réducteurs planétaires SLE090-K

réducteur planétaire SLE090-Z

Réducteurs planétaires SLE090-K


Couple :
60 - 132 Nm
Vitesses :
3000 tr/min
Ratio :
3 - 350

SLE090-K

Etage Ratio Couple nominal
(Nm)
Couple max
(Nm)
Vitesse nominale
(tr/min)
Vitesse max
(tr/min)
Force max radial
(N)
Force max axial
(N)
Jeu
(Arcmin)
Efficacité
(%)
Poids
(kg)
1 3 60 120 3000 6000 1020 850 3 97 4,7
4 86 172 3000 6000 1020 850 3 97 4,7
5 94 189 3000 6000 1020 850 3 97 4,7
7 64 128 3000 6000 1020 850 3 97 4,7
10 39 79 3000 6000 1020 850 3 97 4,7
2 12 96 192 3000 6000 1020 850 5 97 5,3
15 96 192 3000 6000 1020 850 5 97 5,3
16 96 192 3000 6000 1020 850 5 97 4,2
20 96 192 3000 6000 1020 850 5 97 5,3
25 105 211 3000 6000 1020 850 5 97 5,3
28 96 192 3000 6000 1020 850 5 97 5,3
35 105 211 3000 6000 1020 850 5 97 5,3
40 96 192 3000 6000 1020 850 5 97 5,3
50 105 211 3000 6000 1020 850 5 97 5,3
70 71 142 3000 6000 1020 850 5 97 5,3
3 64 120 240 3000 6000 1020 850 5 97 5,9
80 120 240 3000 6000 1020 850 5 97 5,9
100 120 240 3000 6000 1020 850 5 97 5,9
125 132 265 3000 6000 1020 850 5 97 5,9
140 120 240 3000 6000 1020 850 5 97 5,9
175 132 265 3000 6000 1020 850 5 97 5,9
200 120 240 3000 6000 1020 850 5 97 5,9
250 132 265 3000 6000 1020 850 5 97 5,9
280 120 240 3000 6000 1020 850 5 97 5,9
350 132 265 3000 6000 1020 850 5 97 5,9
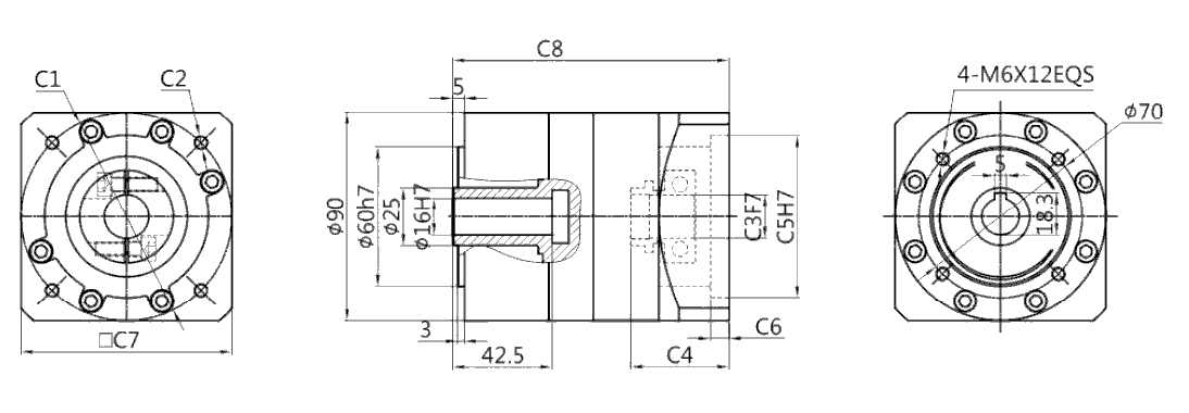
2D
Taille C1 C2 C3 C4 C5 C6 C7 C8
1 ⌀70 4-M4/4-M5 ⌀14 42 ⌀50 8 80 118
⌀69,6 4-M6 ⌀14 42 ⌀73 8 80 118
⌀90 4-M5/4-M6 ⌀19 72 ⌀70 8 80 118
2 ⌀70 4-M4/4-M5 ⌀14 42 ⌀50 8 80 141,5
⌀69,6 4-M6 ⌀14 42 ⌀73 8 80 141,5
⌀90 4-M5/4-M6 ⌀19 72 ⌀70 8 80 141,5
3 ⌀70 4-M4/4-M5 ⌀14 42 ⌀50 8 90 164,5
⌀69,6 4-M6 ⌀14 42 ⌀73 8 90 164,5
⌀90 4-M5/4-M6 ⌀19 72 ⌀70 8 90 164,5
codification