Réducteurs planétaires HLF060

réducteur planétaire HLF060

Réducteurs planétaires HLF060


Couple :
22 - 45 Nm
Vitesses :
3000 tr/min
Ratio :
3 - 10

HLF060

Etage Ratio Couple nominal
(Nm)
Couple max
(Nm)
Vitesse nominale
(tr/min)
Vitesse max
(tr/min)
Force max radial
(N)
Force max axial
(N)
Jeu
(Arcmin)
Efficacité
(%)
Poids
(kg)
1 3 35 70 3000 6000 920 630 3 97 1,1
4 45 90 3000 6000 920 630 3 97 1,1
5 44 88 3000 6000 920 630 3 97 1,1
7 40 80 3000 6000 920 630 3 97 1,1
10 22 44 3000 6000 920 630 3 97 1,1

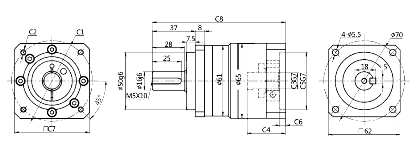
HLF060-L1

2D
Taille C1 C2 C3 C4 C5 C6 C7 C8
HLF060-L1 (Single) ⌀70 4-M4/4-M5 ⌀14 33 ⌀50 5 65 115
codification