Réducteurs planétaires HLE090

réducteur planétaire HLF090

Réducteurs planétaires HLE090


Couple :
50 - 110 Nm
Vitesses :
3000 tr/min
Ratio :
3 - 10

HLE090

Etage Ratio Couple nominal
(Nm)
Couple max
(Nm)
Vitesse nominale
(tr/min)
Vitesse max
(tr/min)
Force max radial
(N)
Force max axial
(N)
Jeu
(Arcmin)
Efficacité
(%)
Poids
(kg)
1 3 100 200 3000 6000 1400 600 3 97 3
4 110 220 3000 6000 1400 600 3 97 3
5 105 210 3000 6000 1400 600 3 97 3
7 100 200 3000 6000 1400 600 3 97 3
10 50 100 3000 6000 1400 600 3 97 3

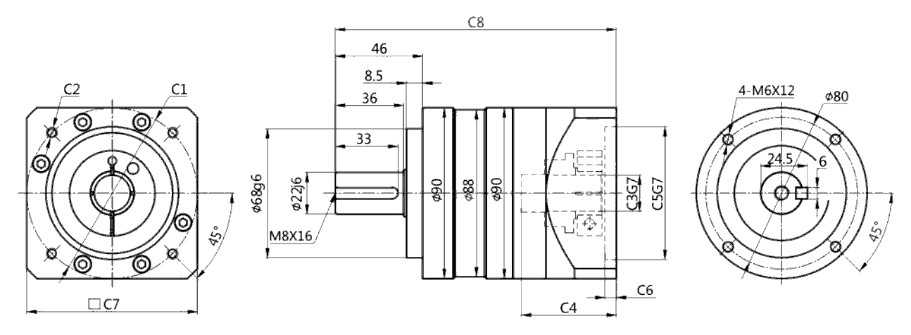
HLE090-L1

2D
Taille C1 C2 C3 C4 C5 C6 C7 C8
HLE090-L1 (Single) ⌀90 4-M5/4-M6 ⌀19 50 ⌀70 6 90 148
⌀145 4-M8 ⌀19/⌀22/⌀24 65,5 ⌀110 14 130 163,5
codification