| Etage | Ratio | Couple nominal (Nm) |
Couple max (Nm) |
Vitesse nominale (tr/min) |
Vitesse max (tr/min) |
Force max radial (N) |
Force max axial (N) |
Jeu (Arcmin) |
Efficacité (%) |
Poids (kg) |
| 1 | 3 | 450 | 900 | 2000 | 4000 | 5800 | 4500 | 3 | 95 | 17 |
| 4 | 580 | 1160 | 2000 | 4000 | 5800 | 4500 | 3 | 95 | 17 | |
| 5 | 540 | 1080 | 2000 | 4000 | 5800 | 4500 | 3 | 95 | 17 | |
| 7 | 390 | 780 | 2000 | 4000 | 5800 | 4500 | 3 | 95 | 17 | |
| 10 | 230 | 460 | 2000 | 4000 | 5800 | 4500 | 3 | 95 | 17 | |
| 2 | 15 | 450 | 900 | 2000 | 4000 | 5800 | 4500 | 5 | 95 | 24 |
| 16 | 580 | 1160 | 2000 | 4000 | 5800 | 4500 | 5 | 95 | 24 | |
| 20 | 580 | 1160 | 2000 | 4000 | 5800 | 4500 | 5 | 95 | 24 | |
| 25 | 540 | 1080 | 2000 | 4000 | 5800 | 4500 | 5 | 95 | 24 | |
| 28 | 580 | 1160 | 2000 | 4000 | 5800 | 4500 | 5 | 95 | 24 | |
| 30 | 450 | 900 | 2000 | 4000 | 5800 | 4500 | 5 | 95 | 24 | |
| 35 | 540 | 1080 | 2000 | 4000 | 5800 | 4500 | 5 | 95 | 24 | |
| 40 | 580 | 1160 | 2000 | 4000 | 5800 | 4500 | 5 | 95 | 24 | |
| 50 | 540 | 1080 | 2000 | 4000 | 5800 | 4500 | 5 | 95 | 24 | |
| 70 | 390 | 780 | 2000 | 4000 | 5800 | 4500 | 5 | 95 | 24 | |
| 100 | 230 | 460 | 2000 | 4000 | 5800 | 4500 | 5 | 95 | 24 |
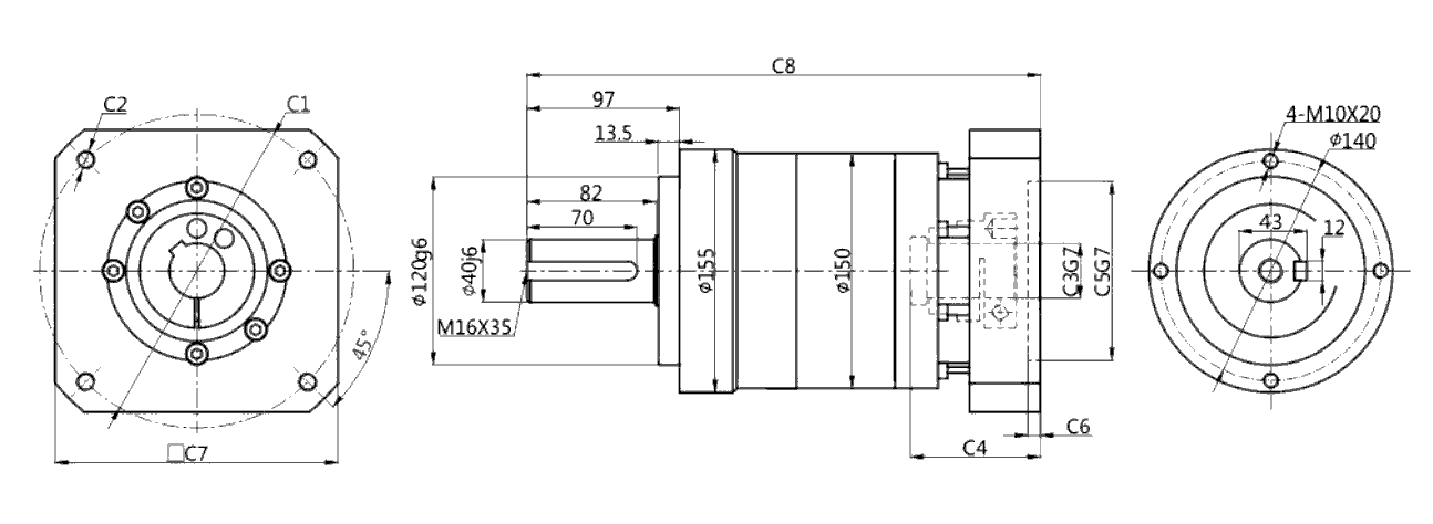
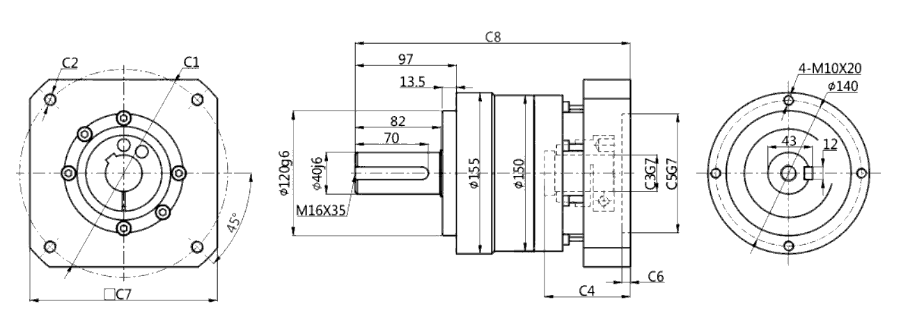
| Taille | C1 | C2 | C3 | C4 | C5 | C6 | C7 | C8 |
| HL155-L1 (Single) | ⌀115 | 4-M8/4-M6 | ⌀22/⌀24 | 67,5 | ⌀95 | 8 | 115 | 249 |
| ⌀145 | 4-M8 | ⌀22/⌀24 | 72,5 | ⌀110 | 8 | 130 | 254 | |
| ⌀200 | 4-M12 | ⌀35/⌀38/⌀42 | 82,5 | ⌀114,3 | 8 | 180 | 264 | |
| ⌀200 | 4-M12 | ⌀35/⌀42 | 117 | ⌀114,3 | 8 | 180 | 296,5 | |
| ⌀200 | 4-M12 | ⌀38/⌀42 | 87,5 | ⌀180 | 8 | 200 | 269 | |
| HL155-L2 (Double) | ⌀115 | 4-M8/4-M6 | ⌀22/⌀24 | 67,5 | ⌀95 | 8 | 115 | 311,5 |
| ⌀145 | 4-M8 | ⌀22/⌀24 | 72,5 | ⌀110 | 8 | 130 | 316,5 | |
| ⌀200 | 4-M12 | ⌀35 | 82,5 | ⌀114,3 | 8 | 180 | 326,5 |