| Etage | Ratio | Couple nominal (Nm) |
Couple max (Nm) |
Vitesse nominale (tr/min) |
Vitesse max (tr/min) |
Force max radial (N) |
Force max axial (N) |
Jeu (Arcmin) |
Efficacité (%) |
Poids (kg) |
| 1 | 3 | 230 | 460 | 3000 | 6000 | 3000 | 2500 | 3 | 97 | 6,8 |
| 4 | 270 | 540 | 3000 | 6000 | 3000 | 2500 | 3 | 97 | 6,8 | |
| 5 | 255 | 510 | 3000 | 6000 | 3000 | 2500 | 3 | 97 | 6,8 | |
| 7 | 180 | 360 | 3000 | 6000 | 3000 | 2500 | 3 | 97 | 6,8 | |
| 10 | 120 | 240 | 3000 | 6000 | 3000 | 2500 | 3 | 97 | 6,8 | |
| 1 | 15 | 230 | 460 | 3000 | 6000 | 3000 | 2500 | 5 | 97 | 10 |
| 16 | 270 | 540 | 3000 | 6000 | 3000 | 2500 | 5 | 97 | 10 | |
| 20 | 270 | 540 | 3000 | 6000 | 3000 | 2500 | 5 | 97 | 10 | |
| 25 | 255 | 510 | 3000 | 6000 | 3000 | 2500 | 5 | 97 | 10 | |
| 28 | 270 | 540 | 3000 | 6000 | 3000 | 2500 | 5 | 97 | 10 | |
| 30 | 230 | 460 | 3000 | 6000 | 3000 | 2500 | 5 | 97 | 10 | |
| 35 | 255 | 510 | 3000 | 6000 | 3000 | 2500 | 5 | 97 | 10 | |
| 40 | 270 | 540 | 3000 | 6000 | 3000 | 2500 | 5 | 97 | 10 | |
| 50 | 255 | 510 | 3000 | 6000 | 3000 | 2500 | 5 | 97 | 10 | |
| 70 | 180 | 360 | 3000 | 6000 | 3000 | 2500 | 5 | 97 | 10 | |
| 100 | 120 | 240 | 3000 | 6000 | 3000 | 2500 | 5 | 97 | 10 |
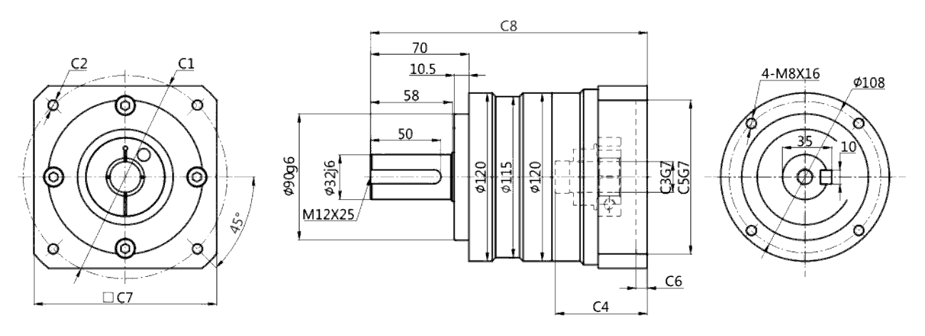
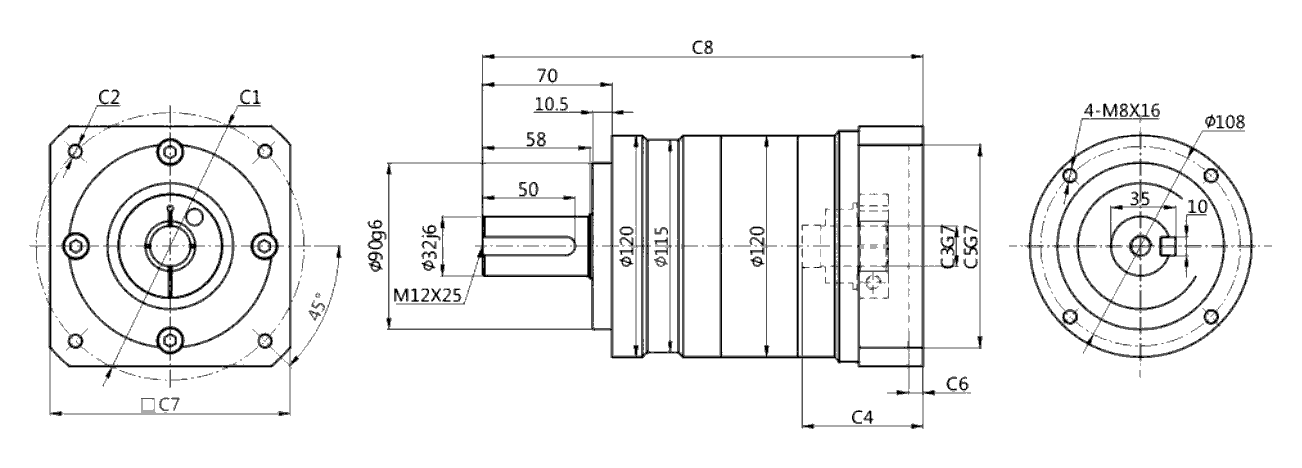
| Taille | C1 | C2 | C3 | C4 | C5 | C6 | C7 | C8 |
| HL120-L1 (Single) | ⌀115 | 4-M8/4-M6 | ⌀19/⌀22/⌀24 | 62,5 | ⌀95 | 8 | 130 | 194 |
| ⌀130 | 4-M8 | ⌀19/⌀22/⌀24 | 62,5 | ⌀95 | 8 | 130 | 194 | |
| ⌀145 | 4-M8 | ⌀19/⌀22/⌀24 | 65,5 | ⌀110 | 8 | 130 | 197 | |
| HL120-L2 (Double) | ⌀90 | 4-M5/4-M6 | ⌀19 | 57,5 | ⌀70 | 6 | 130 | 230,5 |
| ⌀115 | 4-M8/4-M6 | ⌀19/⌀22/⌀24 | 62,5 | ⌀95 | 8 | 130 | 235,5 | |
| ⌀130 | 4-M8 | ⌀19/⌀22/⌀24 | 62,5 | ⌀95 | 8 | 130 | 235,5 | |
| ⌀145 | 4-M8 | ⌀19/⌀22/⌀24 | 65,5 | ⌀110 | 8 | 130 | 238,5 |