| Etage | Ratio | Couple nominal (Nm) |
Couple max (Nm) |
Vitesse nominale (tr/min) |
Vitesse max (tr/min) |
Force max radial (N) |
Force max axial (N) |
Jeu (Arcmin) |
Efficacité (%) |
Poids (kg) |
| 1 | 3 | 100 | 200 | 3000 | 6000 | 1400 | 600 | 3 | 97 | 3 |
| 4 | 110 | 220 | 3000 | 6000 | 1400 | 600 | 3 | 97 | 3 | |
| 5 | 105 | 210 | 3000 | 6000 | 1400 | 600 | 3 | 97 | 3 | |
| 7 | 100 | 200 | 3000 | 6000 | 1400 | 600 | 3 | 97 | 3 | |
| 10 | 50 | 100 | 3000 | 6000 | 1400 | 600 | 3 | 97 | 3 | |
| 2 | 15 | 100 | 200 | 3000 | 6000 | 1400 | 600 | 5 | 97 | 4,3 |
| 16 | 110 | 220 | 3000 | 6000 | 1400 | 600 | 5 | 97 | 4,3 | |
| 20 | 110 | 220 | 3000 | 6000 | 1400 | 600 | 5 | 97 | 4,3 | |
| 25 | 105 | 210 | 3000 | 6000 | 1400 | 600 | 5 | 97 | 4,3 | |
| 28 | 110 | 220 | 3000 | 6000 | 1400 | 600 | 5 | 97 | 4,3 | |
| 30 | 100 | 200 | 3000 | 6000 | 1400 | 600 | 5 | 97 | 4,3 | |
| 35 | 105 | 210 | 3000 | 6000 | 1400 | 600 | 5 | 97 | 4,3 | |
| 40 | 110 | 220 | 3000 | 6000 | 1400 | 600 | 5 | 97 | 4,3 | |
| 50 | 105 | 210 | 3000 | 6000 | 1400 | 600 | 5 | 97 | 4,3 | |
| 70 | 100 | 200 | 3000 | 6000 | 1400 | 600 | 5 | 97 | 4,3 | |
| 100 | 50 | 100 | 3000 | 6000 | 1400 | 600 | 5 | 97 | 4,3 |
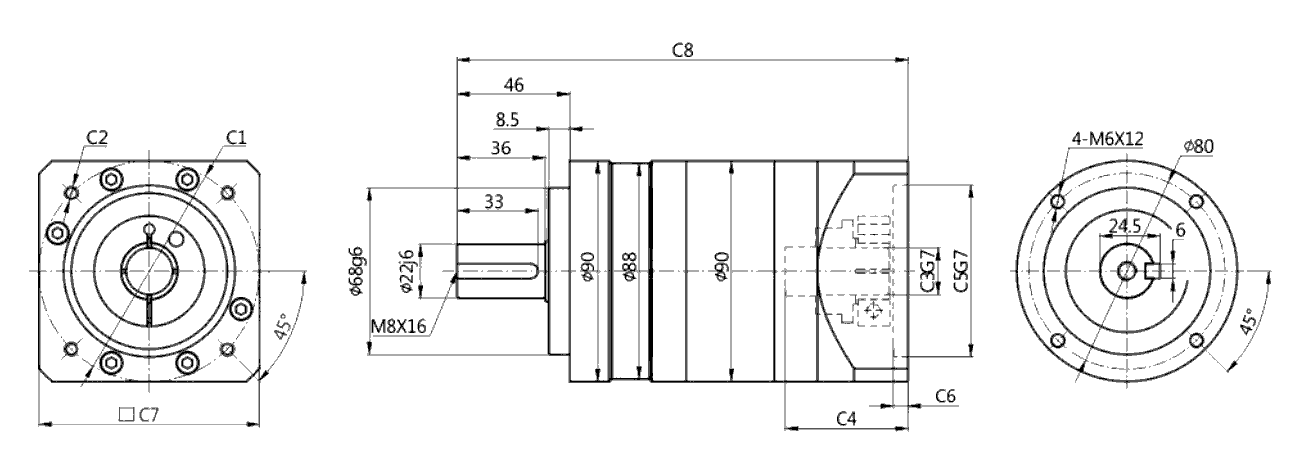
| Taille | C1 | C2 | C3 | C4 | C5 | C6 | C7 | C8 |
| HL090-L1 (Single) | ⌀98,4 | 4-M6/4-M5 | ⌀14/⌀19 | 50 | ⌀73 | 6 | 90 | 148 |
| ⌀90 | 4-M5/4-M6 | ⌀19 | 50 | ⌀70 | 6 | 90 | 148 | |
| ⌀115 | 4-M8 | ⌀19/⌀22 | 62 | ⌀95 | 8 | 110 | 160 | |
| ⌀130 | 4-M8 | ⌀19/⌀22 | 62 | ⌀95 | 8 | 110 | 160 | |
| ⌀145 | 4-M8 | ⌀19/⌀22/⌀24 | 65,5 | ⌀110 | 14 | 130 | 163,5 | |
| HL090-L2 (Double) | ⌀70 | 4-M4/4-M5 | ⌀14 | 38,5 | ⌀50 | 5 | 65 | 175 |
| ⌀98,4 | 4-M6/4-M5 | ⌀14/⌀19 | 50 | ⌀73 | 6 | 90 | 184 | |
| ⌀90 | 4-M5/4-M6 | ⌀19 | 50 | ⌀70 | 6 | 90 | 184 | |
| ⌀115 | 4-M8 | ⌀19/⌀22 | 62 | ⌀95 | 8 | 110 | 196 | |
| ⌀130 | 4-M8 | ⌀19/⌀22 | 62 | ⌀95 | 8 | 110 | 196 | |
| ⌀145 | 4-M8 | ⌀19/⌀22 | 65,5 | ⌀110 | 14 | 130 | 199,5 |