| Etage | Ratio | Couple nominal (Nm) |
Couple max (Nm) |
Vitesse nominale (tr/min) |
Vitesse max (tr/min) |
Force max radial (N) |
Force max axial (N) |
Jeu (Arcmin) |
Efficacité (%) |
Poids (kg) |
| 1 | 3 | 35 | 70 | 3000 | 6000 | 920 | 630 | 3 | 97 | 1,1 |
| 4 | 45 | 90 | 3000 | 6000 | 920 | 630 | 3 | 97 | 1,1 | |
| 5 | 44 | 88 | 3000 | 6000 | 920 | 630 | 3 | 97 | 1,1 | |
| 7 | 40 | 80 | 3000 | 6000 | 920 | 630 | 3 | 97 | 1,1 | |
| 10 | 22 | 44 | 3000 | 6000 | 920 | 630 | 3 | 97 | 1,1 | |
| 2 | 15 | 35 | 70 | 3000 | 6000 | 920 | 630 | 5 | 97 | 1,6 |
| 16 | 45 | 90 | 3000 | 6000 | 920 | 630 | 5 | 97 | 1,6 | |
| 20 | 45 | 90 | 3000 | 6000 | 920 | 630 | 5 | 97 | 1,6 | |
| 25 | 44 | 88 | 3000 | 6000 | 920 | 630 | 5 | 97 | 1,6 | |
| 28 | 45 | 90 | 3000 | 6000 | 920 | 630 | 5 | 97 | 1,6 | |
| 30 | 35 | 70 | 3000 | 6000 | 920 | 630 | 5 | 97 | 1,6 | |
| 35 | 44 | 88 | 3000 | 6000 | 920 | 630 | 5 | 97 | 1,6 | |
| 40 | 45 | 90 | 3000 | 6000 | 920 | 630 | 5 | 97 | 1,6 | |
| 50 | 44 | 88 | 3000 | 6000 | 920 | 630 | 5 | 97 | 1,6 | |
| 70 | 40 | 80 | 3000 | 6000 | 920 | 630 | 5 | 97 | 1,6 | |
| 100 | 22 | 44 | 3000 | 6000 | 920 | 630 | 5 | 97 | 1,6 |
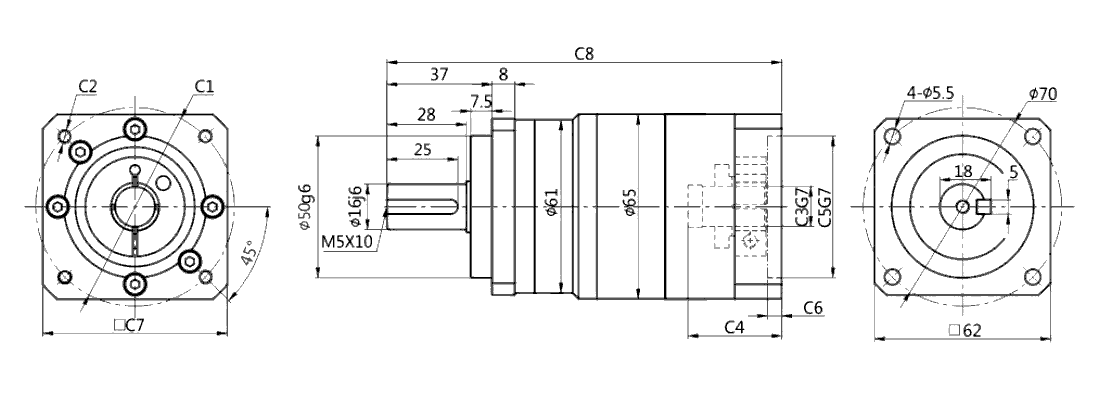
| Taille | C1 | C2 | C3 | C4 | C5 | C6 | C7 | C8 |
| HF060-L1 (Single) | ⌀47,14 | 4-M4 | ⌀8 | 30 | ⌀38,1 | 5 | 65 | 112 |
| ⌀46 | 4-M4 | ⌀8 | 30 | ⌀30 | 5 | 65 | 112 | |
| ⌀45 | 4-M3 | ⌀8 | 30 | ⌀30 | 5 | 65 | 112 | |
| ⌀70 | 4-M4/4-M5 | ⌀14 | 33 | ⌀50 | 5 | 65 | 115 | |
| HF060-L2 (Double) | ⌀47,14 | 4-M4 | ⌀8 | 30 | ⌀38,1 | 5 | 65 | 136 |
| ⌀46 | 4-M4 | ⌀8 | 30 | ⌀30 | 5 | 65 | 136 | |
| ⌀45 | 4-M3 | ⌀8 | 30 | ⌀30 | 5 | 65 | 136 | |
| ⌀70 | 4-M4/4-M5 | ⌀14 | 33 | ⌀50 | 5 | 65 | 139 |