| Etage | Ratio | Couple nominal (Nm) |
Couple max (Nm) |
Vitesse nominale (tr/min) |
Vitesse max (tr/min) |
Force max radial (N) |
Force max axial (N) |
Jeu (Arcmin) |
Efficacité (%) |
Poids (kg) |
| 1 | 3 | 1000 | 2000 | 1500 | 3000 | 9500 | 6800 | 3 | 93 | 39 |
| 4 | 1300 | 2600 | 1500 | 3000 | 9500 | 6800 | 3 | 93 | 39 | |
| 5 | 1100 | 2200 | 1500 | 3000 | 9500 | 6800 | 3 | 93 | 39 | |
| 7 | 800 | 1600 | 1500 | 3000 | 9500 | 6800 | 3 | 93 | 39 | |
| 10 | 460 | 920 | 1500 | 3000 | 9500 | 6800 | 3 | 93 | 39 | |
| 2 | 15 | 1000 | 2000 | 1500 | 3000 | 9500 | 6800 | 5 | 93 | 45 |
| 16 | 1300 | 2600 | 1500 | 3000 | 9500 | 6800 | 5 | 93 | 45 | |
| 20 | 1300 | 2600 | 1500 | 3000 | 9500 | 6800 | 5 | 93 | 45 | |
| 25 | 1100 | 2200 | 1500 | 3000 | 9500 | 6800 | 5 | 93 | 45 | |
| 28 | 1300 | 2600 | 1500 | 3000 | 9500 | 6800 | 5 | 93 | 45 | |
| 30 | 1000 | 2000 | 1500 | 3000 | 9500 | 6800 | 5 | 93 | 45 | |
| 35 | 1100 | 2200 | 1500 | 3000 | 9500 | 6800 | 5 | 93 | 45 | |
| 40 | 1300 | 2600 | 1500 | 3000 | 9500 | 6800 | 5 | 93 | 45 | |
| 50 | 1100 | 2200 | 1500 | 3000 | 9500 | 6800 | 5 | 93 | 45 | |
| 70 | 800 | 1600 | 1500 | 3000 | 9500 | 6800 | 5 | 93 | 45 | |
| 100 | 460 | 920 | 1500 | 3000 | 9500 | 6800 | 5 | 93 | 45 |
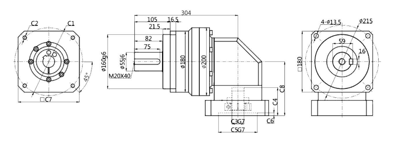
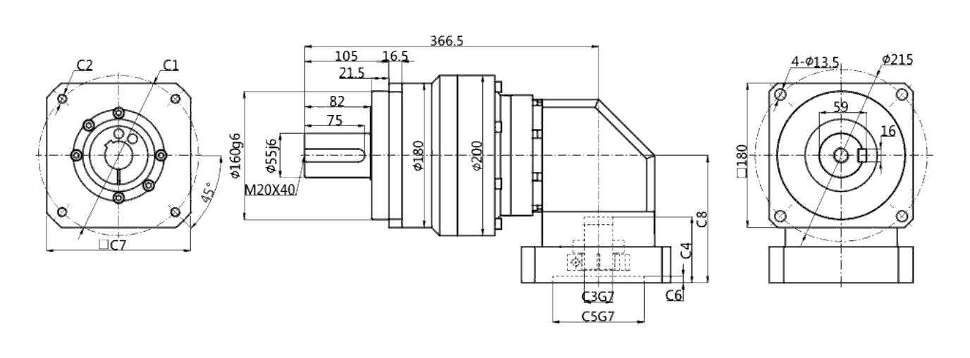
| Taille | C1 | C2 | C3 | C4 | C5 | C6 | C7 | C8 |
| HF-Z180-L1 (Single) | ⌀200 | 4-M12 | ⌀35/⌀42 | 82,5 | ⌀114,3 | 8 | 180 | 159 |
| ⌀200 | 4-M12 | ⌀35/⌀42 | 117 | ⌀114,3 | 8 | 180 | 191,5 | |
| ⌀215 | 4-M12 | ⌀42 | 87,5 | ⌀180 | 8 | 200 | 164 | |
| HF-Z180-L2 (Double) | ⌀115 | 4-M8/4-M6 | ⌀22/⌀24 | 67,5 | ⌀95 | 8 | 115 | 144 |
| ⌀145 | 4-M8 | ⌀22/⌀24 | 72,5 | ⌀110 | 8 | 130 | 149 | |
| ⌀200 | 4-M12 | ⌀35/⌀42 | 82,5 | ⌀114,3 | 8 | 180 | 159 | |
| ⌀200 | 4-M12 | ⌀35/⌀42 | 117 | ⌀114,3 | 8 | 180 | 191,5 | |
| ⌀215 | 4-M12 | ⌀42 | 87,5 | ⌀180 | 8 | 200 | 164 |