| Etage | Ratio | Couple nominal (Nm) |
Couple max (Nm) |
Vitesse nominale (tr/min) |
Vitesse max (tr/min) |
Force max radial (N) |
Force max axial (N) |
Jeu (Arcmin) |
Efficacité (%) |
Poids (kg) |
| 1 | 3 | 230 | 460 | 3000 | 6000 | 3000 | 2500 | 3 | 93 | 11 |
| 4 | 270 | 540 | 3000 | 6000 | 3000 | 2500 | 3 | 93 | 11 | |
| 5 | 255 | 510 | 3000 | 6000 | 3000 | 2500 | 3 | 93 | 11 | |
| 7 | 180 | 360 | 3000 | 6000 | 3000 | 2500 | 3 | 93 | 11 | |
| 10 | 120 | 240 | 3000 | 6000 | 3000 | 2500 | 3 | 93 | 11 | |
| 2 | 15 | 230 | 460 | 3000 | 6000 | 3000 | 2500 | 5 | 93 | 14 |
| 16 | 270 | 540 | 3000 | 6000 | 3000 | 2500 | 5 | 93 | 14 | |
| 20 | 270 | 540 | 3000 | 6000 | 3000 | 2500 | 5 | 93 | 14 | |
| 25 | 255 | 210 | 3000 | 6000 | 3000 | 2500 | 5 | 93 | 14 | |
| 28 | 270 | 540 | 3000 | 6000 | 3000 | 2500 | 5 | 93 | 14 | |
| 30 | 230 | 460 | 3000 | 6000 | 3000 | 2500 | 5 | 93 | 14 | |
| 35 | 255 | 510 | 3000 | 6000 | 3000 | 2500 | 5 | 93 | 14 | |
| 40 | 270 | 540 | 3000 | 6000 | 3000 | 2500 | 5 | 93 | 14 | |
| 50 | 255 | 510 | 3000 | 6000 | 3000 | 2500 | 5 | 93 | 14 | |
| 70 | 180 | 360 | 3000 | 6000 | 3000 | 2500 | 5 | 93 | 14 | |
| 100 | 120 | 240 | 3000 | 6000 | 3000 | 2500 | 5 | 93 | 14 |
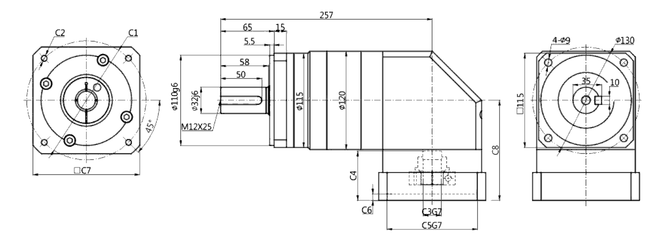
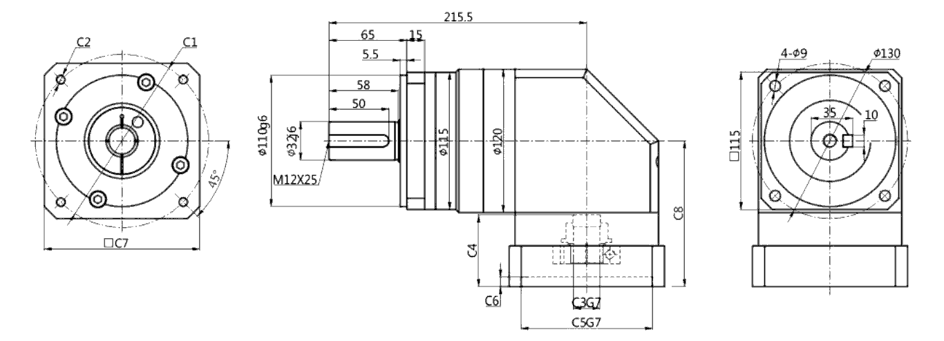
| Taille | C1 | C2 | C3 | C4 | C5 | C6 | C7 | C8 |
| HF-Z115-L1 (Single) | ⌀115 | 4-M8/4-M6 | ⌀22/⌀24 | 57 | ⌀95 | 8 | 130 | 119 |
| ⌀130 | 4-M8 | ⌀22/⌀24 | 57 | ⌀95 | 8 | 130 | 119 | |
| ⌀145 | 4-M8 | ⌀22/⌀24 | 60 | ⌀110 | 8 | 130 | 122 | |
| HF-Z115-L2 (Double) | ⌀115 | 4-M8/4-M6 | ⌀22/⌀24 | 57 | ⌀95 | 8 | 130 | 119 |
| ⌀130 | 4-M8 | ⌀22/⌀24 | 57 | ⌀95 | 8 | 130 | 119 | |
| ⌀145 | 4-M8 | ⌀22/⌀24 | 60 | ⌀110 | 8 | 130 | 122 |