| Etage | Ratio | Couple nominal (Nm) |
Couple max (Nm) |
Vitesse nominale (tr/min) |
Vitesse max (tr/min) |
Force max radial (N) |
Force max axial (N) |
Jeu (Arcmin) |
Efficacité (%) |
Poids (kg) |
| 1 | 3 | 100 | 200 | 3000 | 6000 | 1400 | 600 | 3 | 95 | 5,6 |
| 4 | 110 | 220 | 3000 | 6000 | 1400 | 600 | 3 | 95 | 5,6 | |
| 5 | 105 | 210 | 3000 | 6000 | 1400 | 600 | 3 | 95 | 5,6 | |
| 7 | 100 | 200 | 3000 | 6000 | 1400 | 600 | 3 | 95 | 5,6 | |
| 10 | 50 | 100 | 3000 | 6000 | 1400 | 600 | 3 | 95 | 5,6 | |
| 2 | 15 | 100 | 200 | 3000 | 6000 | 1400 | 600 | 5 | 95 | 6,6 |
| 16 | 110 | 220 | 3000 | 6000 | 1400 | 600 | 5 | 95 | 6,6 | |
| 20 | 110 | 220 | 3000 | 6000 | 1400 | 600 | 5 | 95 | 6,6 | |
| 25 | 105 | 210 | 3000 | 6000 | 1400 | 600 | 5 | 95 | 6,6 | |
| 28 | 110 | 220 | 3000 | 6000 | 1400 | 600 | 5 | 95 | 6,6 | |
| 30 | 100 | 200 | 3000 | 6000 | 1400 | 600 | 5 | 95 | 6,6 | |
| 35 | 105 | 210 | 3000 | 6000 | 1400 | 600 | 5 | 95 | 6,6 | |
| 40 | 110 | 220 | 3000 | 6000 | 1400 | 600 | 5 | 95 | 6,6 | |
| 50 | 105 | 210 | 3000 | 6000 | 1400 | 600 | 5 | 95 | 6,6 | |
| 70 | 100 | 200 | 3000 | 6000 | 1400 | 600 | 5 | 95 | 6,6 | |
| 100 | 50 | 100 | 3000 | 6000 | 1400 | 600 | 5 | 95 | 6,6 |
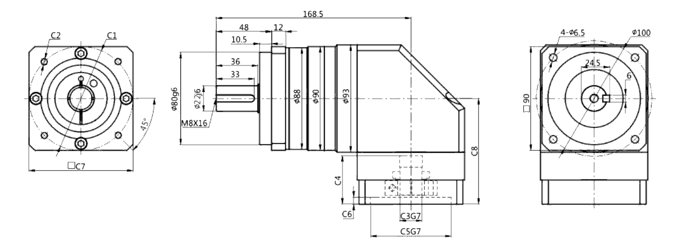
| Taille | C1 | C2 | C3 | C4 | C5 | C6 | C7 | C8 |
| HF-Z090-L1 (Single) | ⌀98,4 | 4-M6/4-M5 | ⌀14/⌀19 | 42 | ⌀73 | 6 | 90 | 91,5 |
| ⌀90 | 4-M5/4-M6 | ⌀19 | 42 | ⌀70 | 6 | 90 | 91,5 | |
| ⌀115 | 4-M8 | ⌀19/⌀22 | 54 | ⌀95 | 8 | 110 | 103,5 | |
| ⌀130 | 4-M8 | ⌀19/⌀22 | 54 | ⌀95 | 8 | 110 | 103,5 | |
| ⌀145 | 4-M8 | ⌀19/⌀22 | 57,5 | ⌀110 | 8 | 130 | 107 | |
| HF-Z090-L2 (Double) | ⌀98,4 | 4-M6/4-M5 | ⌀14/⌀19 | 42 | ⌀73 | 6 | 90 | 91,5 |
| ⌀90 | 4-M5/4-M6 | ⌀19 | 42 | ⌀70 | 6 | 90 | 91,5 | |
| ⌀115 | 4-M8 | ⌀19/⌀22 | 54 | ⌀95 | 8 | 110 | 103,5 | |
| ⌀130 | 4-M8 | ⌀19/⌀22 | 54 | ⌀95 | 8 | 110 | 103,5 | |
| ⌀145 | 4-M8 | ⌀19/⌀22 | 57,5 | ⌀110 | 8 | 130 | 107 |