Réducteurs planétaires HF-Z042

réducteur planétaire HF-Z042

Réducteurs planétaires HF-Z042


Couple :
14 - 20 Nm
Vitesses :
3000 tr/min
Ratio :
4 - 10

HF-Z042

Etage Ratio Couple nominal
(Nm)
Couple max
(Nm)
Vitesse nominale
(tr/min)
Vitesse max
(tr/min)
Force max radial
(N)
Force max axial
(N)
Jeu
(Arcmin)
Efficacité
(%)
Poids
(kg)
1 4 20 40 3000 6000 700 380 3 95 1,1
5 20 40 3000 6000 700 380 3 95 1,1
7 19 38 3000 6000 700 380 3 95 1,1
10 14 28 3000 6000 700 380 3 95 1,1
2 16 20 40 3000 6000 700 380 5 95 1,8
20 20 40 3000 6000 700 380 5 95 1,8
25 20 40 3000 6000 700 380 5 95 1,8
28 20 40 3000 6000 700 380 5 95 1,8
35 20 40 3000 6000 700 380 5 95 1,8
40 20 40 3000 6000 700 380 5 95 1,8
50 20 40 3000 6000 700 380 5 95 1,8
70 19 38 3000 6000 700 380 5 95 1,8
100 14 28 3000 6000 700 380 5 95 1,8

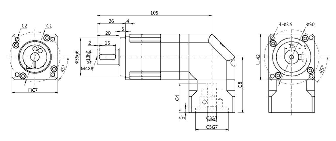
HF-Z042-L1

2D

HF-Z042-L2

2D
Taille C1 C2 C3 C4 C5 C6 C7 C8
HF-Z042-L1 (Single) ⌀46 4-M4 ⌀8 27 ⌀30 6 42 51
⌀45 4-M3 ⌀8 27 ⌀30 6 42 51
HF-Z042-L2 (Double) ⌀46 4-M4 ⌀8 27 ⌀30 6 42 51>
⌀45 4-M3 ⌀8 27 ⌀30 6 42 51
codification